多年的经验
解决方案遍布各个行业








全国服务热线
15094320000
工业生产中会产生各种有机物废气,主要包括各种烃类、醇类、醛类、酸类、酮类和胺类等;这些有机废气会造成大气污染,危害人体健康,而且还会造成浪费,所以有机废气的处理与净化势在必行。
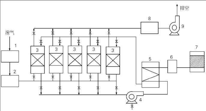
1. 新型吸附-催化燃烧法:
本公司采用新型超活性吸附材料(活性碳纤维或蜂窝状活性炭)作为吸附剂,有机废气通过过滤阻火器过滤,送入吸附床吸收,在接近饮和后引入热空气进行脱附、解析,脱附后的高浓度废气引入催化燃烧床无焰燃烧,将其彻底净化,吸附后的洁净空气排入大气,热气体在系统中循环使用,大大降低能耗。该技术是目前国内治理有机废气较成熟、实用的方法。

图1 流程示意图
1 - 过滤阻火器;2 - 气流分布器;3 - 吸附床;4 - 热风机;5 - 换热器 6 - 预热室;7 - 催化燃烧床;8 - 集气器;9 - 排风机
本法广泛应用于化工、喷涂、印刷、轻工等行业的有机废气治理,具有良好效果,该净化系统设计合理、结构紧凑、高效,采用先进的自动控制系统,实现了净化系统内的吸附、脱附、热平衡、催化反应连续不停运行。与同类处理大风量、低浓度有机废气净化系统相比,设备投资和运行能耗明显降低。
工艺性能及特点
a、应用广泛,对有烃类、醇类、醛类、酸类、酮类有机废气治理都有很好效果。
b、效率高,净化效率达90 %以上,
c、操作简单,维修方便,维护量小。
d、运行成本低,使用寿命长,运行稳定可靠。
e、投资省,适用于大风量、低浓度的废气治理。
光触媒催化降解技术
本公司光触媒催化降解技术,采用紫外线作为能源照射二氧化钛,使二氧化钛表面电子逃逸,形成空穴,使空穴中带有正极电荷,有极强的氧化力,可夺走空气中OH-(氢氧化离子)所含的电子。这时的氢氧化离子会变成极不安定形态,也就是所说的氢氧自由基。氢氧自由基带有极强的氧化力,能夺去附近有机物中所含的电子从而使自身变得稳定,而被夺去电子后的有机物分子链被断,分解成二氧化碳及水,挥发在空气中。本技术可将气体中的甲醛、苯、氨气等有害污染物氧化、分解成CO2 、H2O 等无毒无味的物质,故不存在二次污染问题。因此,光催化净化技术被认为是的环保的净化技术。

图2 工业有机废气去除示意图
应用领域主要为喷涂、印刷、轻工、大型空调系统除菌等行业,含化学组成烯烃、醛类、脂肪酸类、甲基酮类、芳香族的化合物废气。工程工艺设计以光催化氧化单元为中心,结合防水防油的布袋除尘器或水膜式除尘器对废气进行预处理,采用无极灯作为人工光源,纳米二氧化钛作为光催化剂。
工艺性能及特点
a. 废气净化效率高。
b. 安全无毒,不产生二次污染。
c. 操作简单方便。
d. 适应性强对细菌、病毒、甲醛、苯、氨等室内污染都有效果。
e、能耗低,除了必要的引风机外,只需少量的电能作为光源能量。
f、催化氧使用周期长:一般使用6年以上。
PSA法
本公司PSA 技术是利用气体组分在固体吸附材料上吸附特性的差异,通过周期性的压力变化过程实现气体的分离与净化。PSA 技术是一种物理吸附法。采用沸石分子筛作为吸附剂(吸附容量大、吸附选择性强) ,在常温及一定压力条件下,可把有机废气中吸附在沸石分子筛上,没有被吸附的气体进入下一个工段。吸附有机废气以后的吸附剂通过降压抽真空把有机物解吸,使吸附剂再生。再生后的吸附剂重新去吸附废气中的有机物,以此循环往复。生产过程中采用4 个相同的吸附塔在一台计算机的控制下,通过调节阀变向不断改变气流的流向改变各塔的工作阶段,来实现各塔的吸附与再生交替进行。

图3 PSA 工艺流程
工艺性能及特点
a、 低能耗: 本工艺所采用的压力在0. 1~2. 5MPa 。
b、 废气净化效率高,有效成分可回收。
c、 工艺流程简单:可实现多种气体的分离,此工艺对杂质有较强的承受能力,无须复杂的预处理工序。
a. 自动化程度高: 装置的运行有计算机控制,操作方便。
b. 适应性强:变压吸附装置稍加调节就可以变换生产能力,改变原料中的杂质含量和进口压力等工艺条件。
c. 吸附剂使用周期长:一般使用10年以上,且稍加新的吸附剂就可以延长使用,检修少,开工率高。
d. 设备适应性强: 可在室外常温下运行,不需绝热保温或加热及冷却。
工程设计
工程总承包
水务运营
环保设备
CopyRight © 江苏泽宇环境工程有限公司 苏ICP备14007113号-1
微信扫码咨询