Years of experience
solutions across various industries








National service hotline
008615094320000
Various organic waste gases will be produced in industrial production, mainly including various hydrocarbons, alcohols, aldehydes, acids, ketones, amines, etc.; these organic waste gases will cause air pollution, harm human health, and also cause waste. , so the treatment and purification of organic waste gas is imperative.
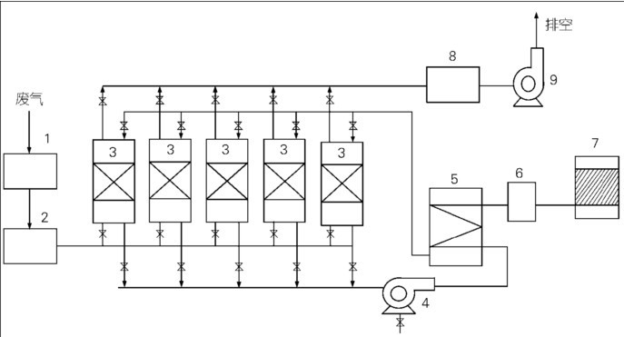
1. New adsorption-catalytic combustion method:
The company uses new super-active adsorption materials (activated carbon fiber or honeycomb activated carbon) as the adsorbent. The organic waste gas is filtered through the filter flame arrester and sent to the adsorption bed for absorption. After it is close to the drink, hot air is introduced for desorption, analysis, and desorption. The high-concentration exhaust gas is introduced into the catalytic combustion bed for flameless combustion to completely purify it. The adsorbed clean air is discharged into the atmosphere, and the hot gas is recycled in the system, which greatly reduces energy consumption. This technology is currently a relatively mature and practical method for treating organic waste gas in China.

Figure 1 Process diagram
1 - Filter flame arrester;2 - Air flow distributor;3 - Adsorption bed;4 - Hot air fan;5 - Heat exchanger 6 - Preheating chamber;7 - Catalytic combustion bed;8 - Gas collector;9 - Exhaust fan
This method is widely used in the treatment of organic waste gas in chemical industry, spraying, printing, light industry and other industries, and has good effects. The purification system is reasonably designed, compact and efficient. It adopts an advanced automatic control system to achieve adsorption and adsorption in the purification system. Desorption, thermal equilibrium, and catalytic reactions run continuously. Compared with similar systems that handle large air volume and low concentration organic waste gas purification systems, equipment investment and operating energy consumption are significantly reduced.
Process performance and characteristics
a、It is widely used and has good effects on the treatment of organic waste gases including hydrocarbons, alcohols, aldehydes, acids and ketones.
b、High efficiency, purification efficiency reaches more than 90%,
c、Simple operation, convenient maintenance and low maintenance.
d、Low operating cost, long service life, stable and reliable operation.
e、Low investment, suitable for waste gas treatment with large air volume and low concentration.
Photocatalyst catalytic degradation technology
Our company's photocatalyst catalytic degradation technology uses ultraviolet rays as energy to irradiate titanium dioxide, causing electrons on the surface of titanium dioxide to escape and form holes. The holes have positive charges and have extremely strong oxidizing power, which can take away OH- (hydrogen oxidation) in the air. ion) contains electrons. At this time, the hydroxide ions will become extremely unstable, which is the so-called hydroxyl radical. Hydrogen free radicals have extremely strong oxidizing power and can deprive electrons from nearby organic matter to stabilize themselves. After depriving electrons, the molecular chains of organic matter are broken and decomposed into carbon dioxide and water, which volatilize in the air. middle. This technology can oxidize and decompose harmful pollutants such as formaldehyde, benzene, and ammonia in the gas into non-toxic and odorless substances such as CO2 and H2O, so there is no secondary pollution problem. Therefore, photocatalytic purification technology is considered an environmentally friendly purification technology.

Figure 2 Schematic diagram of industrial organic waste gas removal
The application fields are mainly spraying, printing, light industry, large-scale air conditioning system sterilization and other industries, and the exhaust gas contains chemical compounds such as olefins, aldehydes, fatty acids, methyl ketones, and aromatic compounds. The engineering process design is centered on the photocatalytic oxidation unit, combined with a waterproof and oil-proof bag dust collector or a water film dust collector to pretreat the exhaust gas, using an electrodeless lamp as the artificial light source and nano-titanium dioxide as the photocatalyst.
Process performance and characteristics
a. High exhaust gas purification efficiency.
b. The exhaust gas purification efficiency is high and the active ingredients can be recovered.
c. Simple process flow: It can realize the separation of various gases. This process has strong tolerance to impurities and does not require complicated pretreatment procedures.
d. Strong adaptability and effective against bacteria, viruses, formaldehyde, benzene, ammonia and other indoor pollution.
e、Low energy consumption. In addition to the necessary induced draft fan, only a small amount of electrical energy is needed as light source energy.
f、Long service life of catalytic oxygen: generally more than 6 years.
PSA method
Our company's PSA technology utilizes the differences in adsorption characteristics of gas components on solid adsorbent materials to achieve gas separation and purification through periodic pressure changes. PSA technology is a physical adsorption method. Zeolite molecular sieve is used as the adsorbent (large adsorption capacity and strong adsorption selectivity). Under normal temperature and certain pressure conditions, organic waste gas can be adsorbed on the zeolite molecular sieve, and the unadsorbed gas will enter the next section. After adsorbing organic waste gas, the adsorbent depressurizes and vacuums the organic matter to regenerate the adsorbent. The regenerated adsorbent re-adsorbs organic matter in the exhaust gas, and the cycle repeats. In the production process, 4 identical adsorption towers are used under the control of a computer, and the flow direction of the air flow is continuously changed by adjusting the valve direction to change the working stage of each tower, so as to realize the alternate adsorption and regeneration of each tower.

Figure 3 PSA process flow
Process performance and characteristics
a、 Low energy consumption: The pressure used in this process is 0. 1 ~ 2. 5MPa.
b、 The exhaust gas purification efficiency is high and the active ingredients can be recovered.
c、 Simple process flow: It can realize the separation of various gases. This process has strong tolerance to impurities and does not require complicated pretreatment procedures.
a. High degree of automation: The operation of the device is controlled by computer and is easy to operate.
b. Strong adaptability: The pressure swing adsorption device can change the production capacity and change the impurity content in the raw materials and inlet pressure and other process conditions with a slight adjustment.
c. The adsorbent has a long service life: it is generally used for more than 10 years, and the use can be extended with a little new adsorbent, with less maintenance and high operating rate.
d. The equipment has strong adaptability: it can operate outdoors at room temperature without the need for insulation or heating and cooling.
Engineering design
Engineering general contracting
Water operations
Environmental protection equipment
CopyRight © Jiangsu ZEYU Environmental Engineering Co., Ltd. Su ICP No. 14007113-1